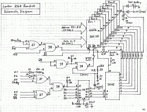
Expands the 2068 with up to 256K of nonvolatile RAM. Includes LKDOS Extended BASIC cartridge and memory board that attaches to expansion port.
LKDOS uses standard BASIC commands (LOAD, CAT, SAVE, etc) to operate the RAM disk.
Uses 32K (62256) CMOS RAM chips backed up with a battery; comes with 64K.
Compatible with Spectrum, OS-64 and disk drive systems.



